Описание
Калориферы стальные трехрядные водяные К-Сн
Калориферы стальные трехрядные предназначены для нагрева воздуха с предельно допустимым содержанием химически агрессивных веществ по ГОСТ 12.1.005-88, с запыленностью не более 0,15 мг/м3 и не содержащего липких веществ и волокнистых материалов, в системах воздушного отопления и в сушильных установках. Калориферы стальные купить. Калориферы стальные трехрядные.
Рабочее давление теплоносителя должно быть не более 1,2 МПа, температура не выше + 1500 С.
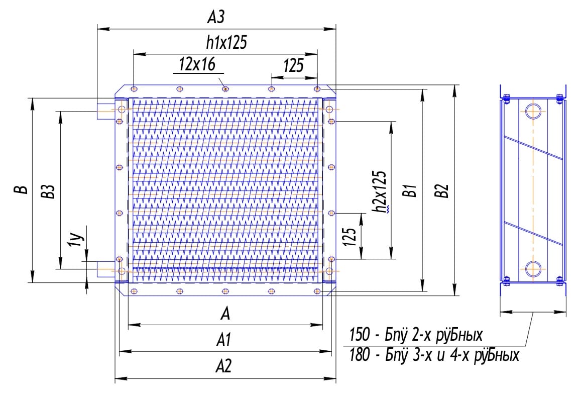
Габаритные и присоединительные размеры
| Условное обозначение | Размеры мм | / | / | 3 | |||||||
| А | А | А | Аy | В | В | В | Вy | ||||
| КСн2-1 КСн3-1 КСн4-1 | 530 | 578 | 602 | 650 | 378 | 426 | 450 | 305 | 4 | 2 | 32 |
| КСн2-2 КСн3-2 КСн4-2 | 655 | 703 | 727 | 775 | 378 | 426 | 450 | 305 | 5 | 2 | 32 |
| КСн2-3 КСн3-3 КСн4-3 | 780 | 828 | 852 | 900 | 378 | 426 | 450 | 305 | 6 | 2 | 32 |
| КСн2-4 КСн3-4 КСн4-4 | 905 | 953 | 977 | 1025 | 378 | 426 | 450 | 305 | 7 | 2 | 32 |
| КСн2-5 КСн3-5 КСн4-5 | 1155 | 1203 | 1227 | 1275 | 378 | 426 | 450 | 305 | 9 | 2 | 32 |
| КСн2-6 КСн3-6 КСн4-6 | 530 | 578 | 602 | 650 | 503 | 551 | 575 | 430 | 4 | 3 | 32 |
| КСн2-7 КСн3-7 КСн4-7 | 655 | 703 | 727 | 775 | 503 | 551 | 575 | 430 | 5 | 3 | 32 |
| КСн2-8 КСн3-8 КСн4-8 | 780 | 828 | 852 | 900 | 503 | 551 | 575 | 430 | 6 | 3 | 32 |
| КСн2-9 КСн3-9 КСн4-9 | 905 | 953 | 977 | 1025 | 503 | 551 | 575 | 430 | 7 | 3 | 32 |
| КСн2-10 КСн3-10 КСн4-10 | 1155 | 1203 | 1227 | 1275 | 503 | 551 | 575 | 430 | 9 | 3 | 32 |
| КСн2-11 КСн3-11 КСн4-11 | 1655 | 1703 | 1727 | 1775 | 1003 | 1051 | 1075 | 912 | 13 | 7 | 50 |
| КСн2-12 КСн3-12 КСн4-12 | 1655 | 1703 | 1727 | 1775 | 1503 | 1551 | 1575 | 1392 | 13 | 11 | 50 |
Технические характеристики y 3-х рядных калориферов КСнy КСксy
|
наименование показателя | Типоразмер калорифера | |||||||||||
| КСнy | КСнy | КСнy y | КСнy | КСнy | КСнy | КСнy | КСнy | КСнy | КСнy | КСнy | КСнy | |
| Производитель- ность по воздуху, м³/ч | 2000 | 2500 | 3150 | 4000 | 5000 | 2500 | 3150 | 4000 | 5000 | 6300 | 16000 | 25000 |
| Производительно сть по теплу, кВт | 34,4 | 44,1 | 55,8 | 70,1 | 91,5 | 46,6 | 60,4 | 77,1 | 95,8 | 125,7 | 335,0 | 517,4 |
| Площадь поверхности теплообмена, м² | 8,3 | 10,3 | 12,3 | 14,2 | 18,3 | 10,9 | 13,4 | 16,2 | 18,8 | 23,9 | 69,9 | 105,3 |
| Площадь фронтального сечения, м² | 0,200 | 0,248 | 0,295 | 0,342 | 0,437 | 0,267 | 0,329 | 0,392 | 0,455 | 0,581 | 1,660 | 2,488 |
| Площадь живого сечения по теплоносителю, м² | 0,00074 | 0,00074 | 0,00074 | 0,00074 | 0,00074 | 0,00103 | 0,00103 | 0,00103 | 0,00103 | 0,00103 | 0,00204 | 0,00314 |
| Число ходов по теплоносителю | 4 | 4 | 4 | 4 | 4 | 4 | 4 | 4 | 4 | 4 | 4 | 4 |
| Масса, кг., не более | 27 | 32 | 36 | 40 | 49 | 38 | 44 | 49 | 55 | 66 | 170 | 250 |




Отзывы
Отзывов пока нет.